- НаличиеВ наличии
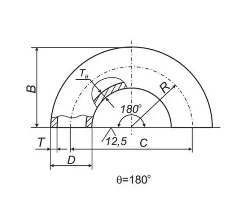
Отводы 180° в заводской изоляции ВУС предназначены для монтажа магистральных и технологических трубопроводов, обеспечивая изменение направления трассы на полный разворот. Их применение позволяет минимизировать количество сварных стыков и сократить сроки проведения строительно-монтажных работ.
Изделия эффективно защищают трубопровод от коррозии и механических повреждений благодаря прочному покрытию, что значительно увеличивает срок службы всей системы. Это готовое решение, не требующее дополнительной изоляции на месте прокладки.
Мы предлагаем отводы из высококачественных сталей (09Г2С, 17Г1С, сталь 20, сталь 3) с широким диапазоном типоразмеров. Доступны различные диаметры (от 15 до 800 мм), толщины стенки и условные проходы (Dn), что позволяет подобрать оптимальный вариант для любого проекта.
Оформите онлайн-заказ для юридических лиц с безналичным расчетом и получите персональное коммерческое предложение. Обеспечим оперативную доставку по всей Беларуси.
Нет отзывов об этом товаре.
Пока нет вопросов об этом товаре. Станьте первым!
