- НаличиеВ наличии
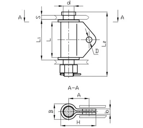
Узлы крепления типа КГН предназначены для надёжного соединения и подвески изоляторов в гирляндах на опорах воздушных линий электропередачи (ЛЭП). Они обеспечивают прочное крепление и правильное распределение механических нагрузок, что является ключевым для безопасной и бесперебойной работы энергосистем.
Конструкции узлов КГН отличаются высокой прочностью и долговечностью, что позволяет эксплуатировать их в сложных погодных условиях. Изготавливаются из качественной стали с защитным покрытием для повышенной стойкости к коррозии. Доступны с разрушающей нагрузкой от 70 до 1800 кН, что позволяет подобрать решение для любых проектных требований.
Мы предлагаем широкий модельный ряд, включающий марки КГН-7-5, КГН-90-5, КГН-160-5 и другие, с различной длиной (от 192 мм до 575 мм) и массой. Это обеспечивает вариативность выбора под конкретные параметры трассы и тип используемых изоляторов.
Закажите необходимое количество узлов крепления КГН для вашего объекта с доставкой по всей Беларуси. Для юридических лиц доступен безналичный расчет и оперативное составление коммерческого предложения.
Нет отзывов об этом товаре.
Пока нет вопросов об этом товаре. Станьте первым!
